
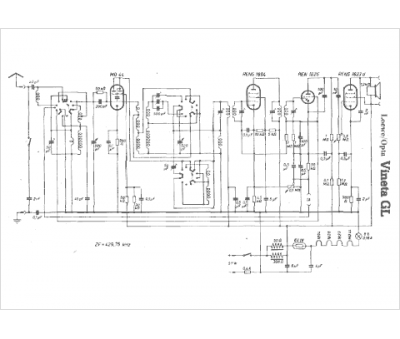
Marque :
Loewe-Opta
Modèle :
Vineta GL
Type appareil :
récepteur à tubes
Pays d'origine :
Allemagne
Forme :
haute
Haut-parleur :
oui
