
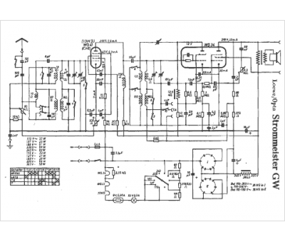
Marque :
Loewe-Opta
Modèle :
Strommeister GW
Type appareil :
récepteur à tubes
Pays d'origine :
Allemagne
