Marque :
Loewe-Opta
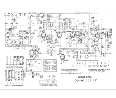
Modèle :
Spinett 551 TP
Type appareil :
récepteur à tubes
Année :
1954
Pays d'origine :
Allemagne
Prix de lancement :
498
Forme :
meuble sur 4 pieds
Matière :
bois
Cadran :
rectangulaire horizontal
Boutons :
2 + 2
Clavier :
6 touches
