
Marque :
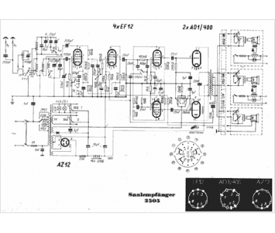
Loewe-Opta
Modèle :
Saalempfanger 3505
Type appareil :
récepteur à tubes
Pays d'origine :
Allemagne
