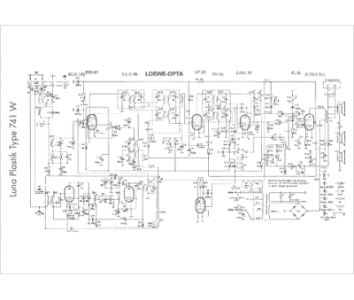
Marque :
Loewe-Opta
Modèle :
Luna Plastik 741 W
Type appareil :
récepteur à tubes
Année :
1955
Pays d'origine :
Allemagne
Prix de lancement :
279
Forme :
basse
Matière :
bois
Cadran :
horizontal rectangulaire
Boutons :
6 dont 2 dans le clavier
Clavier :
7 touches
Graduations :
stations
Gammes d'ondes :
GO PO FM
Cadre :
ferrite
