
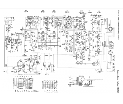
Marque :
Loewe-Opta
Modèle :
Hellas 2841 W
Type appareil :
récepteur à tubes
Pays d'origine :
Allemagne
