
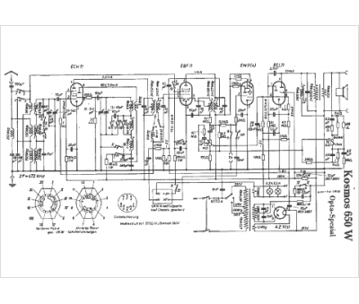
Marque :
Loewe-Opta
Modèle :
650 W Kronos
Type appareil :
récepteur à tubes
Pays d'origine :
Allemagne
Technologie :
superhétérodyne
Tubes :
UCH42, 2*UAF41, UL41, UY41, UM4
Moyenne fréquence :
456
Gammes d'ondes :
PU GO PO 3OC
Alimentation :
tous-courants 110 à 220 V
Haut-parleur :
oui
