
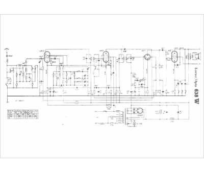
Marque :
Loewe-Opta
Modèle :
638 W
Type appareil :
récepteur à tubes
Pays d'origine :
Allemagne
Technologie :
superhétérodyne
Tubes :
4M2, 4H2, 4V1, 4E1, 140NG
Circuits :
6
Moyenne fréquence :
486
Gammes d'ondes :
PU GO PO OC
Alimentation :
secteur 110 à 240 V
Haut-parleur :
oui
