
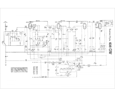
Marque :
Loewe-Opta
Modèle :
638 GW
Type appareil :
récepteur à tubes
Pays d'origine :
Allemagne
Technologie :
superhétérodyne
Tubes :
24M2|BCH1,13H2|CF3,13V1|CBC11, 33E1|CL4, 2*30NG|CY2, U920-6
Circuits :
6
Gammes d'ondes :
PU GO PO OC
Alimentation :
tous-courants 110 à 240 V
Haut-parleur :
oui
