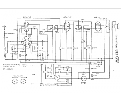
Marque :
Loewe-Opta
Modèle :
612 GW
Type appareil :
récepteur à tubes
Pays d'origine :
Allemagne
Technologie :
superhétérodyne
Tubes :
UCH21, UCH21, UBL21, UY21
Moyenne fréquence :
452
Gammes d'ondes :
PO OC
Alimentation :
tous-courants 110 à 220 V
Haut-parleur :
oui
