
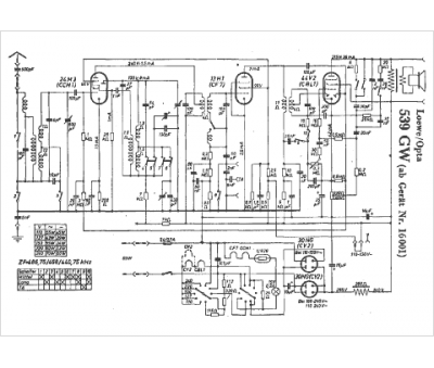
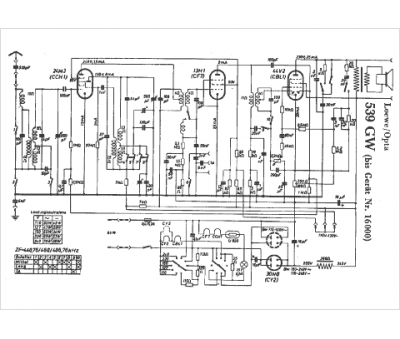
Marque :
Loewe-Opta
Modèle :
539 GW
Type appareil :
récepteur à tubes
Pays d'origine :
Allemagne
Technologie :
superhétérodyne
Tubes :
24M3|CCH1, 13H1|CF7, 44V2|CBL1, 2*30NG|CY2, U920
Circuits :
5
Moyenne fréquence :
486/468/440
Gammes d'ondes :
PU GO PO
Alimentation :
tous-courants 110 à 240 V
Haut-parleur :
oui
