
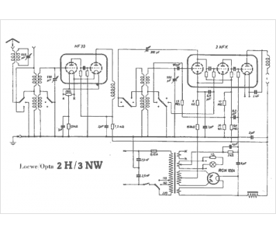
Marque :
Loewe-Opta
Modèle :
2H-3NW
Type appareil :
récepteur à tubes
Pays d'origine :
Allemagne
Cadran :
tambour cylindrique
Technologie :
réaction
Tubes :
HF30, 3NFK, RGN1054
Alimentation :
secteur 110 à 220 V
Haut-parleur :
non
