
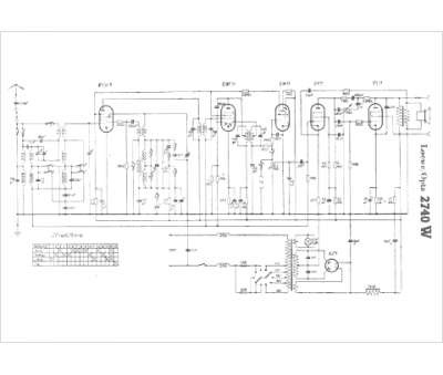
Marque :
Loewe-Opta
Modèle :
2740 W
Type appareil :
récepteur à tubes
Pays d'origine :
Allemagne
Tubes :
ECH11, EBF11, ECL11, AZ1, EM11
Moyenne fréquence :
486.75
Gammes d'ondes :
PU GO PO OC
Alimentation :
secteur 110 à 240 V
Haut-parleur :
oui
