
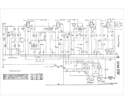
Marque :
Loewe-Opta
Modèle :
2739 GW
Type appareil :
récepteur à tubes
Pays d'origine :
Allemagne
Tubes :
CCH1, CF3, CB1, EFM11, CL4, 2*CY2, U920-6
Moyenne fréquence :
486.75/468/440.75
Gammes d'ondes :
PU GO PO OC
Alimentation :
tous-courants 110 à 240 V
Haut-parleur :
oui
