
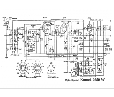
Marque :
Loewe-Opta
Modèle :
2650 W Komet
Type appareil :
récepteur à tubes
Pays d'origine :
Allemagne
Tubes :
ECH4, EF9, EBL1, AZ1
Moyenne fréquence :
472
Alimentation :
secteur 110 à 220 V
Haut-parleur :
oui
