
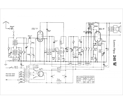
Marque :
Loewe-Opta
Modèle :
240 W
Type appareil :
récepteur à tubes
Pays d'origine :
Allemagne
Tubes :
EBF11, ECL11, AZ1
Gammes d'ondes :
PU GO PO
Alimentation :
secteur 110 à 240 V
