
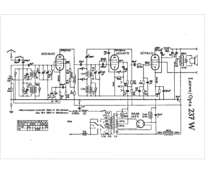
Marque :
Loewe-Opta
Modèle :
237 W
Type appareil :
récepteur à tubes
Pays d'origine :
Allemagne
Tubes :
4H3|AH1, 4H1|AF7, 4E1|AL4, 10NG|AZ1
Circuits :
2
Gammes d'ondes :
PU GO PO
Alimentation :
secteur 110 à 240 V
Haut-parleur :
oui
