
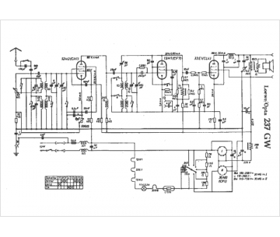
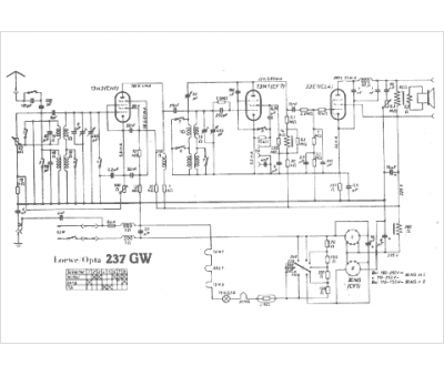
Marque :
Loewe-Opta
Modèle :
237 GW
Type appareil :
récepteur à tubes
Pays d'origine :
Allemagne
Tubes :
13H3|CH1, 13H1|CF7, 33E1|CL4, 2*30NG|CY1, U920
Circuits :
2
Gammes d'ondes :
PU GO PO
Alimentation :
secteur 110 à 240 V
Haut-parleur :
oui
