
Marque :
Loewe-Opta
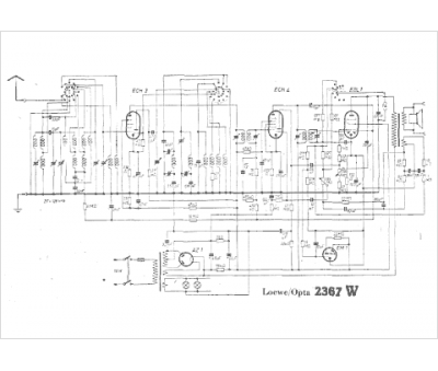
Modèle :
2367 W
Type appareil :
récepteur à tubes
Pays d'origine :
Allemagne
Technologie :
superhétérodyne
Tubes :
ECH3, ECH4, EBL1, AZ1
Alimentation :
secteur
Haut-parleur :
oui
