
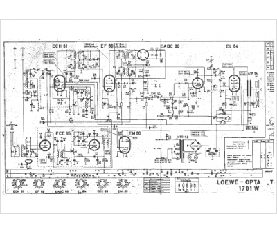
Marque :
Loewe-Opta
Modèle :
1701
Type appareil :
récepteur à tubes
Pays d'origine :
Allemagne
Technologie :
superhétérodyne
Tubes :
ECC85, ECH81, EF89, EABC80, EL84, EM80, pont
Moyenne fréquence :
10.7 MHz, 473 kHz
Gammes d'ondes :
PU GO PO FM
Alimentation :
secteur 110 à 220 V
Haut-parleur :
3 haut-parleurs
