
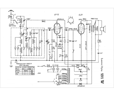
Marque :
Loewe-Opta
Modèle :
151 W
Type appareil :
récepteur à tubes
Pays d'origine :
Allemagne
Tubes :
EF12, EL11, redresseur sec
Gammes d'ondes :
PU GO PO OC
Alimentation :
secteur 110 à 240 V
Haut-parleur :
oui
