
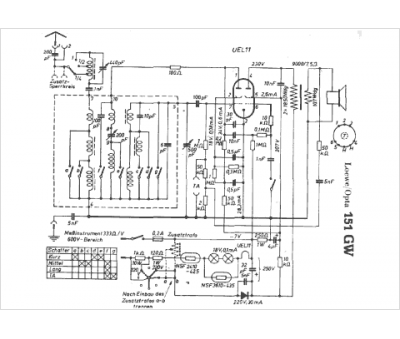
Marque :
Loewe-Opta
Modèle :
151 GW
Type appareil :
récepteur à tubes
Pays d'origine :
Allemagne
Tubes :
UEL11, redresseur, NFS2410-425, NFS3610-435
Circuits :
1
Gammes d'ondes :
PU GO PO OC
Alimentation :
tous-courants 110 à 240 V
Haut-parleur :
oui
