
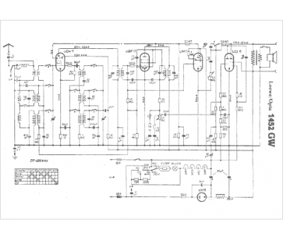
Marque :
Loewe-Opta
Modèle :
1452 GW
Type appareil :
récepteur à tubes
Pays d'origine :
Allemagne
Technologie :
superhétérodyne
Tubes :
UCH11, UBF11, UM11, UCL11, UY11, EUXV
Gammes d'ondes :
PU GO PO OC
Alimentation :
tous-courants 110 à 240 V
Haut-parleur :
oui
