
Marque :
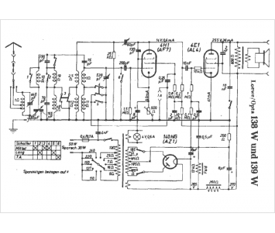
Loewe-Opta
Modèle :
139 W
Type appareil :
récepteur à tubes
Pays d'origine :
Allemagne
Tubes :
4H1|AF7, 4E1|AL4, 140NG|AZ1
Circuits :
1
Gammes d'ondes :
PU GO PO
Alimentation :
secteur 110 à 240 V
Haut-parleur :
oui
