
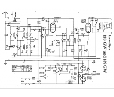
Marque :
Loewe-Opta
Modèle :
139 GW
Type appareil :
récepteur à tubes
Pays d'origine :
Allemagne
Tubes :
13H1|CF7, 33E1|CL4, 30NG|CY2
Circuits :
1
Gammes d'ondes :
PU GO PO
Alimentation :
tous-courants 110 à 240 V
Haut-parleur :
oui
