
Marque :
Loewe-Opta
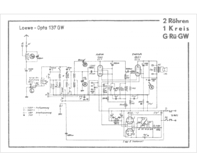
Modèle :
137 gw
Type appareil :
récepteur à tubes
Pays d'origine :
Allemagne
Technologie :
amplification directe
Tubes :
13H1|CF7, 33E1|CL4, 30NG|CY2
Circuits :
1
Gammes d'ondes :
PU GO PO
Alimentation :
tous-courants 110 à 240 V
Haut-parleur :
oui
