
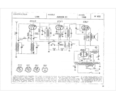
Marque :
LIRR
Modèle :
Junior 51
Type appareil :
récepteur à tubes
Année :
1948
