
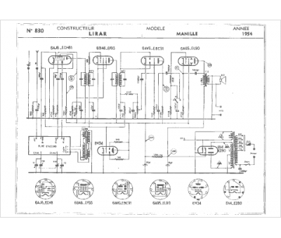
Marque :
Lirar
Modèle :
Manille
Type appareil :
récepteur à tubes
Année :
1954
