
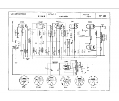
Marque :
Lirar
Modèle :
Ambassy
Type appareil :
récepteur à tubes
Année :
1950
