
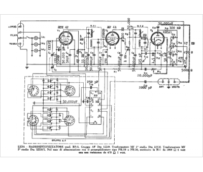
Marque :
Lesa
Modèle :
RS 3
Type appareil :
récepteur à tubes
Pays d'origine :
Italie
