
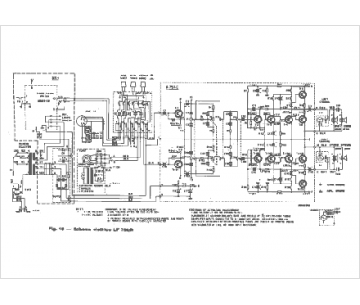
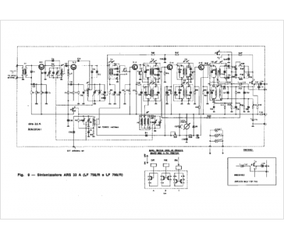
Marque :
Lesa
Modèle :
LF 760
Type appareil :
récepteur à tubes
Pays d'origine :
Italie
