
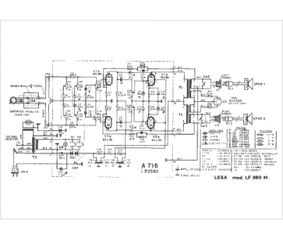
Marque :
															Lesa																																															
														Modèle :
																LF 380																																	
															Type appareil :
																récepteur à tubes
															Pays d'origine :
																Italie
															




