
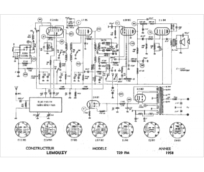
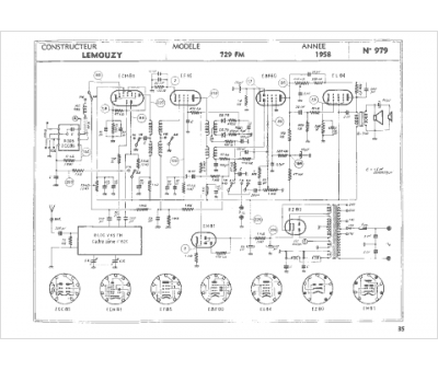
Marque :
Lemouzy
Modèle :
729 FM
Type appareil :
récepteur à tubes
Année :
1958
Pays d'origine :
France
