
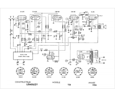
Marque :
Lemouzy
Modèle :
728
Type appareil :
récepteur à tubes
Année :
1956
Pays d'origine :
France
