
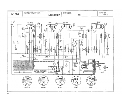
Marque :
Lemouzy
Modèle :
621
Type appareil :
récepteur à tubes
Année :
1951
Pays d'origine :
France
