
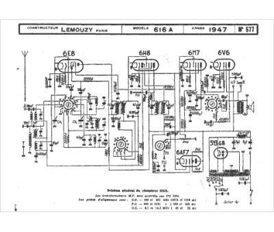
Marque :
Lemouzy
Modèle :
616a
Type appareil :
récepteur à tubes
Année :
1947
Pays d'origine :
France
