
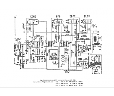
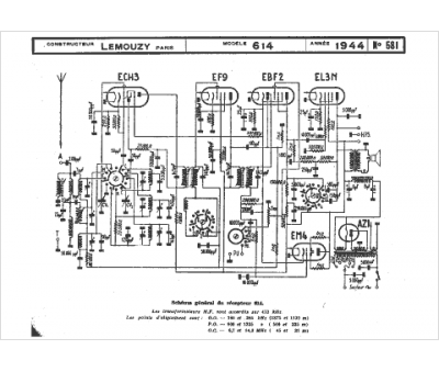
Marque :
Lemouzy
Modèle :
614
Type appareil :
récepteur à tubes
Année :
1944
Pays d'origine :
France
