
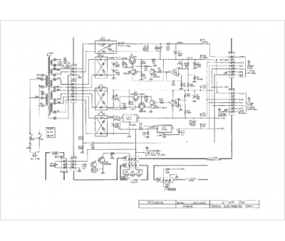
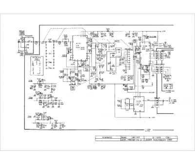
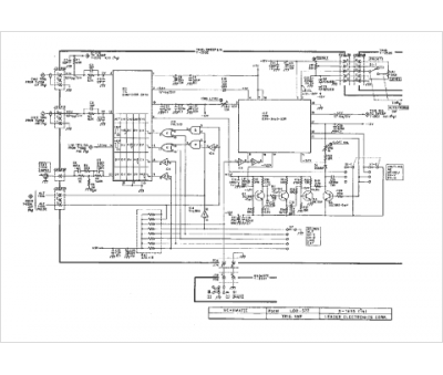
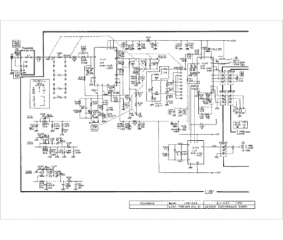
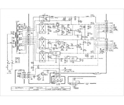
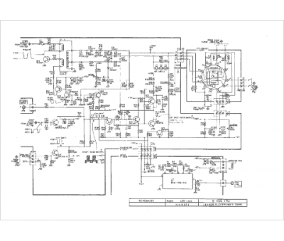
Marque :
Leader Electronics Corp
Modèle :
LBO 522-523
Type appareil :
appareil de mesure
