
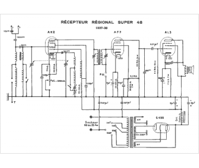
Marque :
Le Régional
Modèle :
Super 48
Type appareil :
récepteur à tubes
Année :
1937
Pays d'origine :
France
