
Marque :
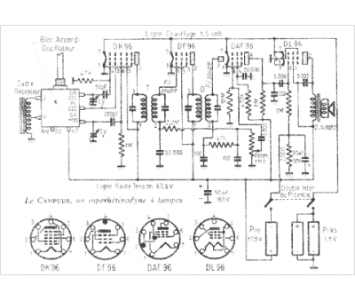
Le Campeur
Modèle :
Le Campeur
Type appareil :
récepteur à tubes
Pays d'origine :
France
