
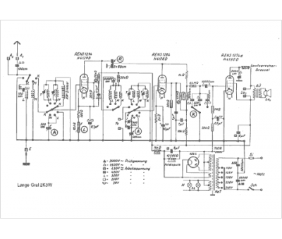
Marque :
Lange
Modèle :
Gral 2k3 w
Type appareil :
récepteur à tubes
Pays d'origine :
Allemagne
