
Marque :
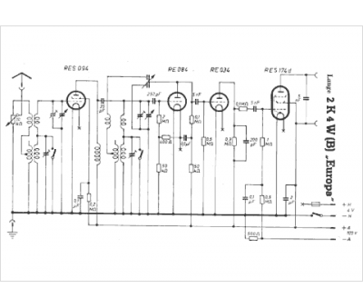
Lange
Modèle :
2K4 W Europa
Type appareil :
récepteur à tubes
Pays d'origine :
Allemagne
