
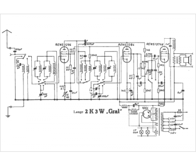
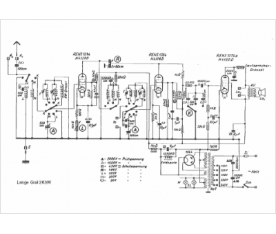
Marque :
Lange
Modèle :
2K3 W Gral
Type appareil :
récepteur à tubes
Pays d'origine :
Allemagne
