
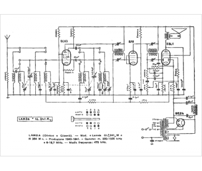
Marque :
Lambda
Modèle :
GL 241 M
Type appareil :
récepteur à tubes
Pays d'origine :
Italie
