
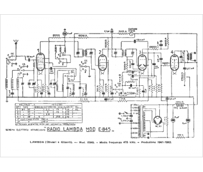
Marque :
Lambda
Modèle :
E 845
Type appareil :
récepteur à tubes
Pays d'origine :
Italie
