
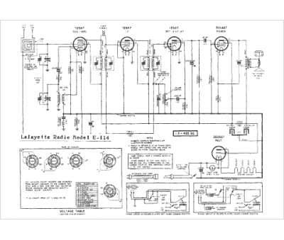
Marque :
Lafayette
Modèle :
E-114
Type appareil :
récepteur à tubes
Année :
1941
Pays d'origine :
États-Unis
