
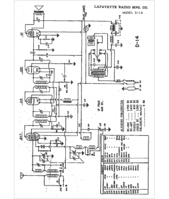
Marque :
Lafayette
Modèle :
D-14
Type appareil :
récepteur à tubes
Année :
1942
Pays d'origine :
États-Unis
