
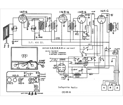
Marque :
Lafayette
Modèle :
CC-55A
Type appareil :
récepteur à tubes
Année :
1940
Pays d'origine :
États-Unis
