
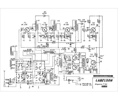
Marque :
Labelson
Modèle :
T 760
Type appareil :
récepteur à tubes
Pays d'origine :
Espagne
