
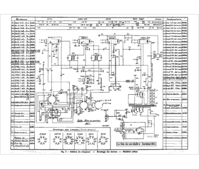
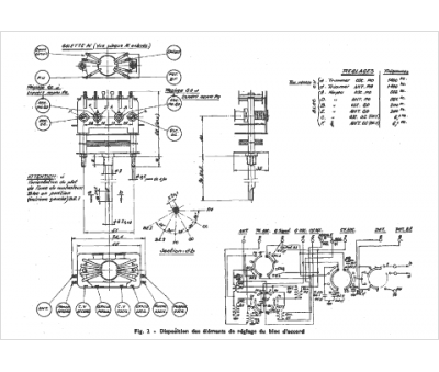
Marque :
La Voix de son Maître
Modèle :
Combiné 604
Type appareil :
récepteur à tubes
Pays d'origine :
France
